021-51699285
首页
关于我们
公司简介
关于品牌
荣誉资质
产品中心
HY111系列低压自愈式并联电容器
自愈式低压并联电容器
无功功率自动补偿控制器
TBBX低压无功就地补偿器
TBB0.4系列智能无功就地补偿装
切换电容器接触器
高压并联电容器
电热电容器
HY系列交流电动机电容器
HY系列金属化聚丙烯膜灯具电容器
触发器
HY系列滤波电容器
HY系列电动机启动电容器
HY系列交流运转电容器
三相串联电抗器
限流电抗器
新闻中心
公司新闻
行业动态
联系我们
产品展示
LZZBJ4-35电流互感器(全封闭)
首页
/
产品中心
/
40.5kV电流40.5kV电流、电压互感器电压互感器
40.5kV电流40.5kV电流、电压互感器电压互感器
3~12kV电压互感器
12kV穿墙式电流互感器
12kV支柱式电流互感器
放电线圈及供机构操作电源用电压互感器
零序电流互感器
产品标题:LZZBJ4-35电流互感器(全封闭)
产品ID:
VIB20100127095851734
品 牌:
大互电气
所在地:中国 上海
价 格:面议 (大量采购价格面议)
库存状态:
货期待查
更新日期:2025-4-25 17:07:40
咨询电话:(+86)021-51699285
咨询Q Q:
2695337323
产品简述
LZZBJ4-35电流互感器
产品详情
LZZBJ4-35产品图片(半封闭)
LZZBJ4-35产品图片(全封闭)
LZZBJ4-35技术参数(单变比)
LZZBJ4-35技术参数(两变比)
LZZBJ4-35技术参数(三变比)
LZZBJ4-35安装尺寸(半封闭)
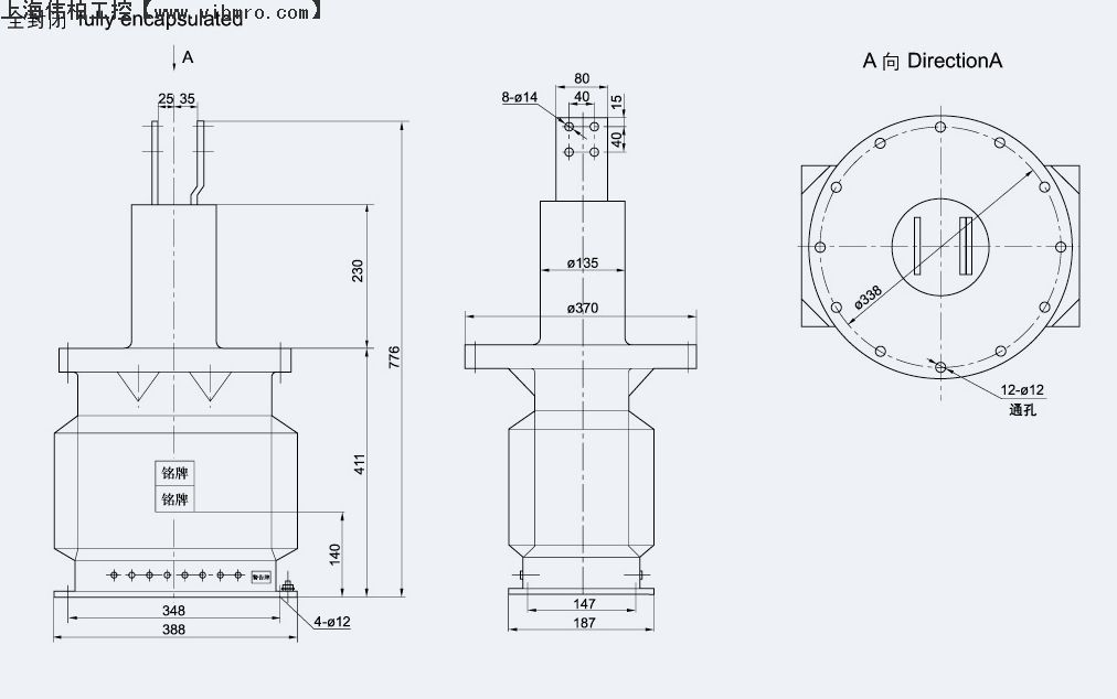
LZZBJ4-35安装尺寸(全封闭)
产品型号
MEHRFACHKUPPL. QS-4/8
气管 DG.K-18-
气管 DG.K-25-
双作用气缸 DSEU-16-10-P-A-MQ
双作用气缸 DSEU-16-25-P-A-MQ
双作用气缸 DSEU-16-40-P-A-MQ
双作用气缸 DSEU-16-50-P-A-MQ
双作用气缸 DSEU-16-80-P-A-MQ
双作用气缸 DSEU-16-100-P-A-MQ
双作用气缸 DSEU-16-125-P-A-MQ
双作用气缸 DSEU-16-160-P-A-MQ
双作用气缸 DSEU-16-200-P-A-MQ
双作用气缸 DSEU-8-10-P-A
双作用气缸 DSEU-8-25-P-A
前一页
LZZBJ4-35电流互感器(半封闭)
后一页
LZZBJ4-35电流互感器(半封闭)
产品中心
更多产品
MORE+
FDGE8型半封闭干式放电线圈
LJ-1零序电流互感器
LJ-7零序电流互感器
LJ-4零序电流互感器
JDZ-3Q,3000/100,电压互感器
LJ-2零序电流互感器
FDGE9型全封闭干式放电线圈
JDZX9-10QG电流互感器
双作用气缸 DSEU-32-50-P-A-MA
双作用气缸 DSEU-32-80-P-A-MA
双作用气缸 DSEU-32-100-P-A-MA
双作用气缸 DSEU-32-125-P-A-MA
电话:
021-51699285
传真:
021-51698592
手机:
13611905823
地址:上海市宝山区恒高路127弄6号楼2202室
首 页
关于我们
公司简介
品牌介绍
企业荣誉
产品中心
HY111系列低压自愈式并联电容器
自愈式低压并联电容器
无功功率自动补偿控制器
TBBX低压无功就地补偿器
TBB0.4系列智能无功就地补偿装
切换电容器接触器
高压并联电容器
电热电容器
HY系列交流电动机电容器
HY系列金属化聚丙烯膜灯具电容器
触发器
HY系列滤波电容器
HY系列电动机启动电容器
HY系列交流运转电容器
三相串联电抗器
限流电抗器
新闻中心
公司新闻
行业动态
联系我们